

品质管理的核心是质量,基础是全面参与,宗旨是让客户满意,最终目的是形成一套长期成功的管理途径。因此,企业要想使产品及服务得到顾客的满意,必须调动全体员工,以质量为核心,寻找一套长期成功的管理途径,这个途径就是品质管理。当然品质管理方法的尝试不一定都是成功的,但总结起来,品质管理一般包含三个方面,即来料品质管理、制程品质管理、出货品质管理,企业可从以上三方面突破品质管理,寻找最优方法。本文我们就来介绍如何做好来料品质管理的检验工作。
来料检验(IQC)指对采购进来的原材料、部件或产品做品质确认和查核,即在供应商送原材料或部件时通过抽样的方式对品质进行检验,并最后做出判断该批产品是允收还是拒收。
IQC是企业产品在生产前的第一个控制品质的关卡,如把不合格品放到制程中,则会导致制程或最终产品的不合格,造成巨大的损失。IQC不仅影响到公司最终产品的品质,还影响到各种直接或间接成本。在制造业中,对产品品质有直接影响的通常为设计、来料、制程、储运四大主项,一般来说设计占25%,来料占50%,制程占20%,储运1%到5%。综上所述,来料检验对公司产品质量占压倒性的地位,所以要把来料品质控制升到一个战略性地位来对待。
1、来料检验
主要工作是来料检验,而IQC检验可简述为对外协、外购的物料全部或其主要特性参照该物料的相关标准进行确认;或对其是否符合使用要求进行确认的活动。
2、处理物料质量问题
IQC还要对检验过程中发现的质量问题进行跟踪处理,以及生产和市场反馈的重大物料质量问题的跟踪处理,并在IQC内部建立预防措施等。
3、全过程物料类质量问题统计、反馈
统计来料接收、检验过程中的质量数据,以周报、月报形式反馈给相关部门,作为供应商的来料质量控制和管理的依据。
4、参与物料有关部门的流程优化
参与物流控制环节中的相关流程优化, 对于物流中和物料检验有关的流程优化提出建议和意见。
1、进料检验又称验收检验,是控制不让不良物料进入物料仓库的控制点,也是评鉴供料厂商主要的资讯来源。
2、供料厂商的品质信赖度及物料的数量、单价、体积等,加以规划为全检、抽检、免检,要求如下:
a、全检:数量少,单价高;
b、抽检:数量多,或经常性的物料;
c、免检:数量多,单价低或一般性补助或经认证为免检厂商或局限性的物料;
1、适用场合
验收抽样多被客户用来评估供应商的批次来料是否可接受。在下列情况下,验收抽样的优势将显得尤为突出。
A、要求对来料进行破坏性测试。
B、由于成本及时间原因,无法实现全检。
C、来料供应商的可接受产品拥有较好的历史记录。
2、相关名词解析
计数型数据
计数型抽样方案主要是通过批次来料的缺陷数量来判断来料批次是否可接受。0缺陷计划也包含在计数型抽样方案中,其主要通过查看可接受质量水平(AQL)是否在可接受范围内,即仅仅是一定数量的缺陷产品,来决定该来料是否可接收。
计量型数据
计量型抽样计划主要基于测量结果来判断来料是否可接收。考虑到成本花费及效率,计量型抽样计划通常比计数型抽样计划要求的抽样数量要少很多。SPC 软件的计量型抽样计划主要基于以下4个输入参数:可接受质量水平(AQL)、批允许不良率(LTPD)、生产者风险及客户风险。
可接收质量水平(AQL)
可接收质量水平(AQL)通常定义为95%的时候可接收提交批的不合格品率。95%的时候将接收质量等同于或高于AQL的提交批。如果拒收某批次,则有95%的信心说,该批质量比AQL差。同样地,具有AQL质量的批次被拒收地概率是5%。AQL并不是所生产的或者所接收批所必须的质量水平。它甚至不是质量目标。它仅是一个以生产者风险(α)或者拒收可接收批的概率的简单不合格百分比。
批允许不良率(LTPD)
批允许不良率通常定义为90%时候将拒收的不合格率。可以说,批次质量不合格率在或者比LTPD差的质量时,将有90%的时候拒收。如果批次合格,那么有90%的信心说该批质量比LTPD好。也可以说交收批不良率为LTPD被接收的概率是10%。LTPD是顾客风险(β)的不良率或接收不合格品的概率。顾客分先通常是10%。
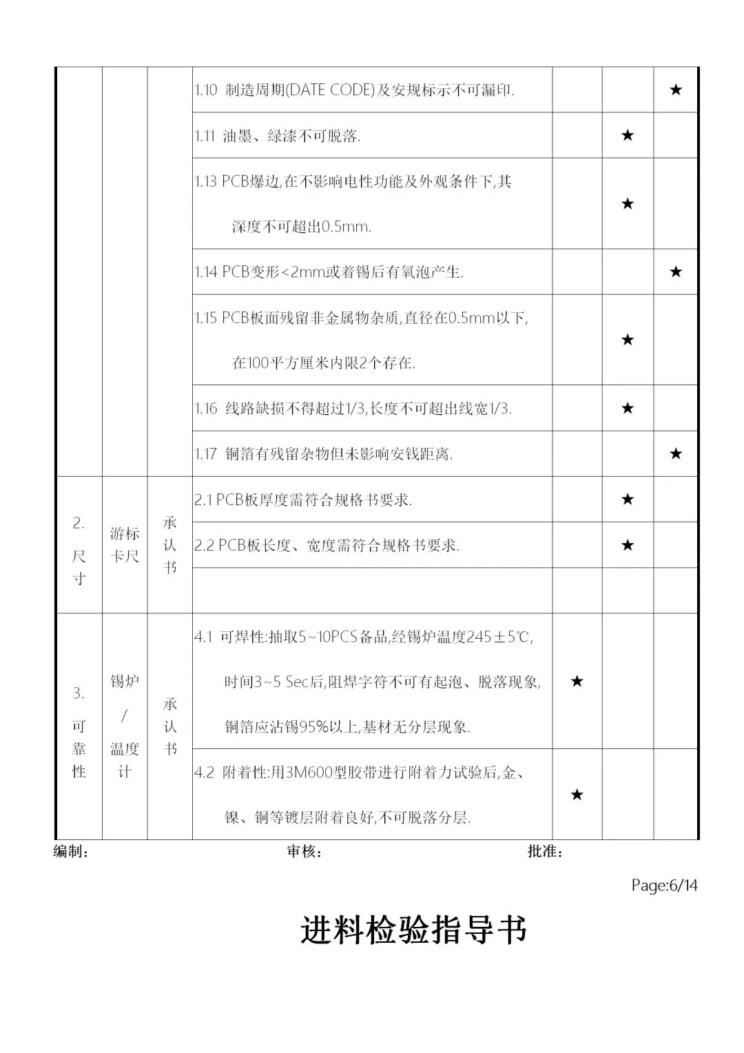
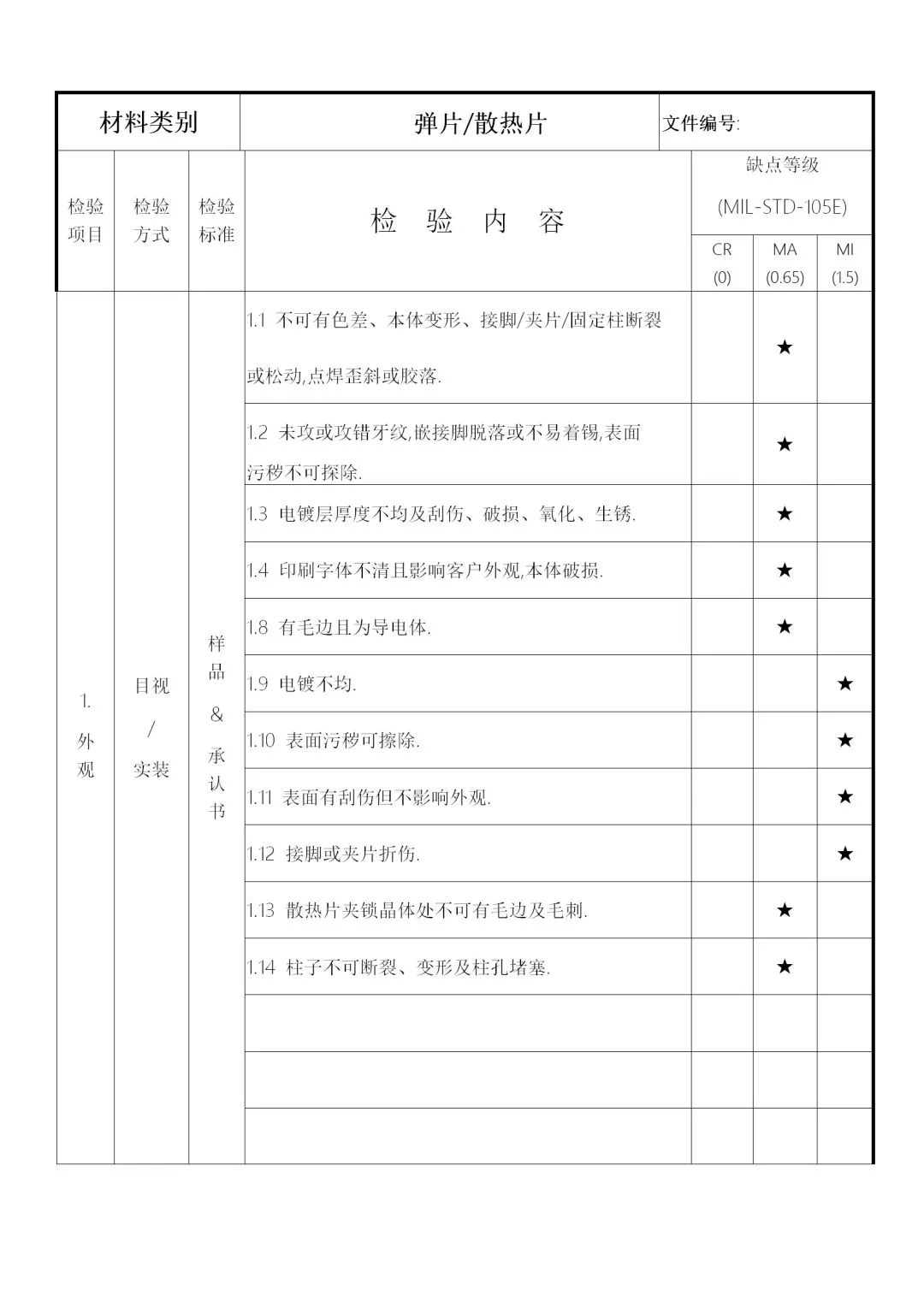
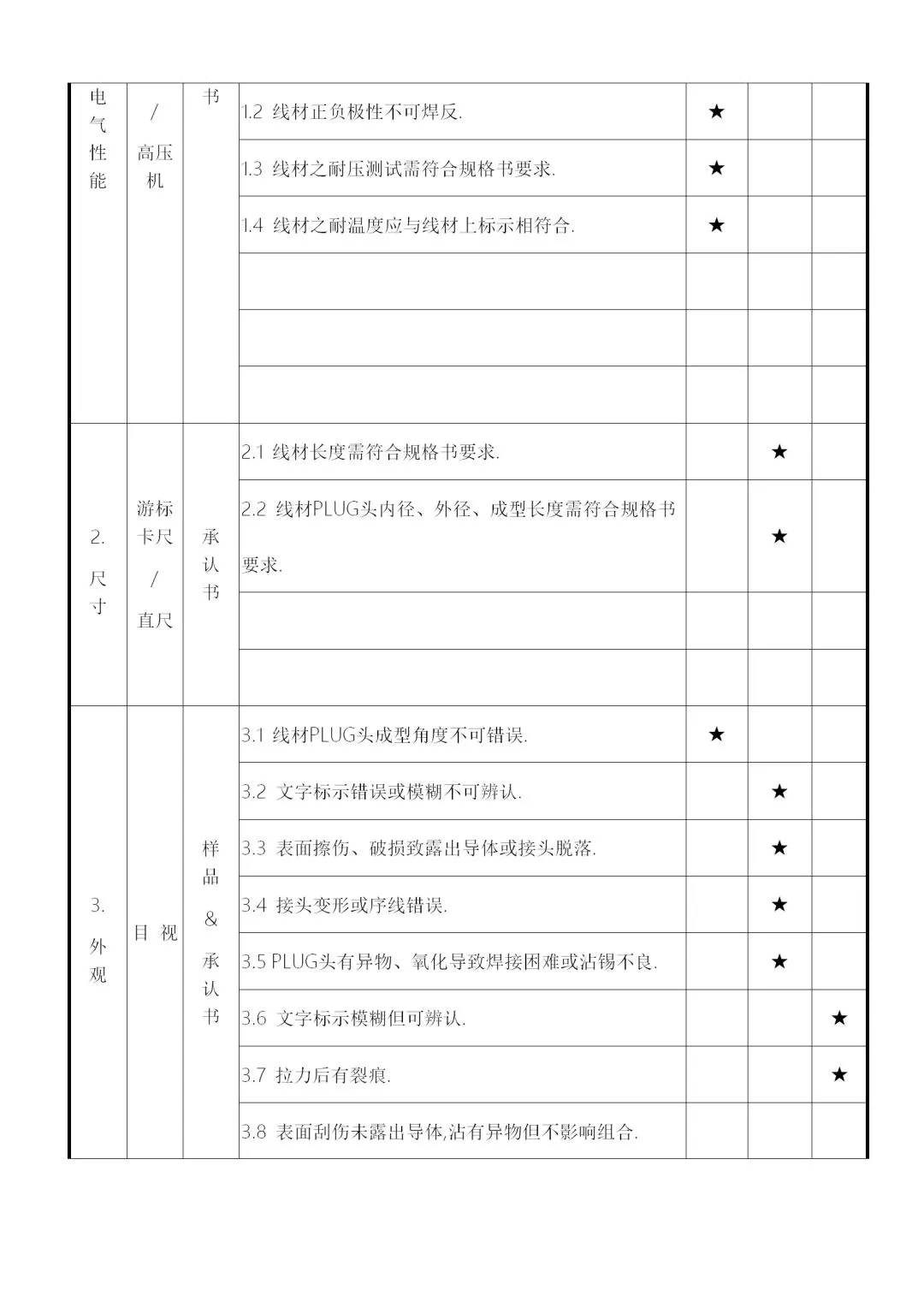
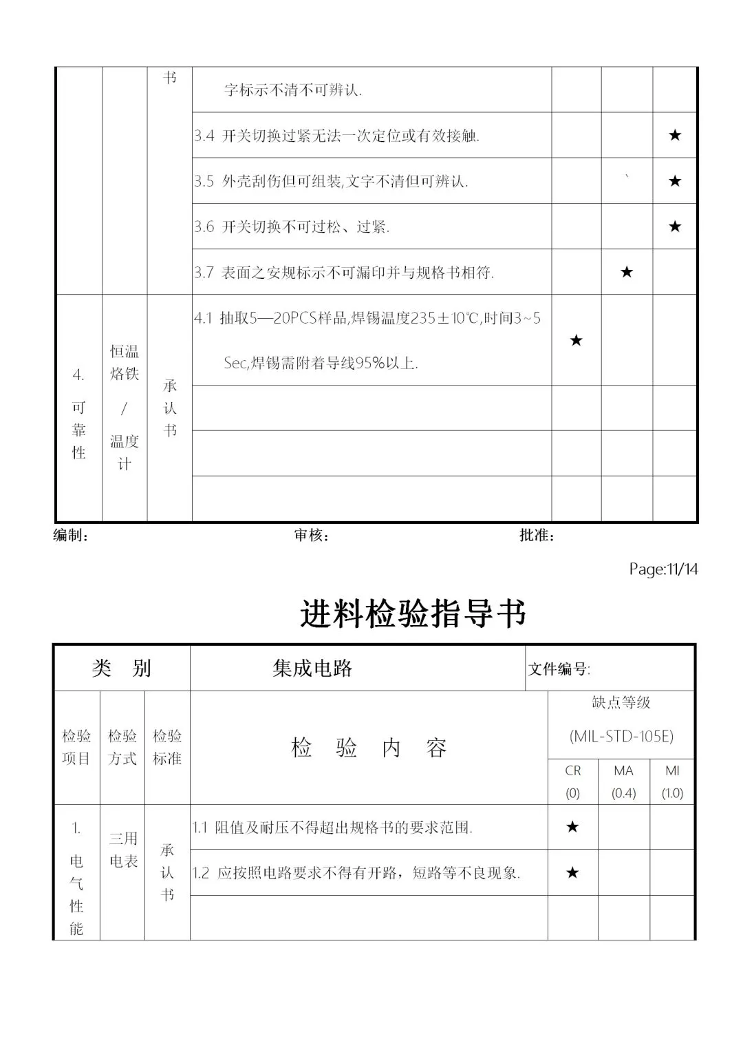
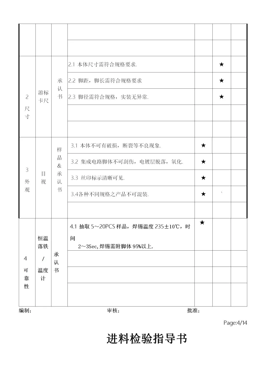
1、外观检验(一般用目视、手感、限度样本)
2、尺寸、结构检验(用游标、分厘卡、投影仪)
3、特性检验(使用检测仪器或设备)
电气特性检验 、化学特料检验 、物理特性检验、落地特性试验、温度特性检查、震动特性试验、耐压特性试验 、寿命特性试验、环境试验。
IQC是公司与供应商打交道的一个窗口,同时也是控制供应商品质的关口,IQC工作进行得如何,直接关系到本公司产品品质成本及本公司在供应商中的印象。
1、抽样严谨
抽样检验是一个统计学概率存在风险,这种风险可能把不良品漏检而放到生产线上去,也可能把合格品判退,从而间接造成本公司的损失,所以在抽样时,一定要尽可能让样本反映母体的品质状况。在抽样计划中,根据现行的国际或国家标准,可以控制在5%以下的风险率,但在具体抽取样本的过程中,可能因个人偏好而造成母体的随机性不够,所以在抽样方法上要特别注意严谨性。
2、“客观公正”地判定品质
a.IQC人员经常同供应商接触形成了“情感氛围”在检验时容易形成主观的意识,造成对供应商的判定标准有差异。
b. 受个人心情影响,心情好可能认真一点,检验和判定较为慎重;心情差可能就是一眼定乾坤。
c. 受检验人员个性的影响,性了急的人在判定上容易主观,因此要注意客观公正。如不合格批放到制程,发生原材料问题,首先追究的是IQC人员责任。
3、尊重供应商
4、以综合因素来判定
在检验中,有时会遇到一些品质、时间、成本、效率上的冲突,如原材料需要紧急上线,而检验发现有一点“小问题”按原有标准不能收下,公司的采购策略是采用较低价格的物料,虽然与原定品质目标上有差异,但还是有可能收下等。
5、尽量不要特采
6、在检验过程中标识清晰
用标签标识来区分待检品、不良品、合格品等,最好是贴在有颜色的标签以示区分。
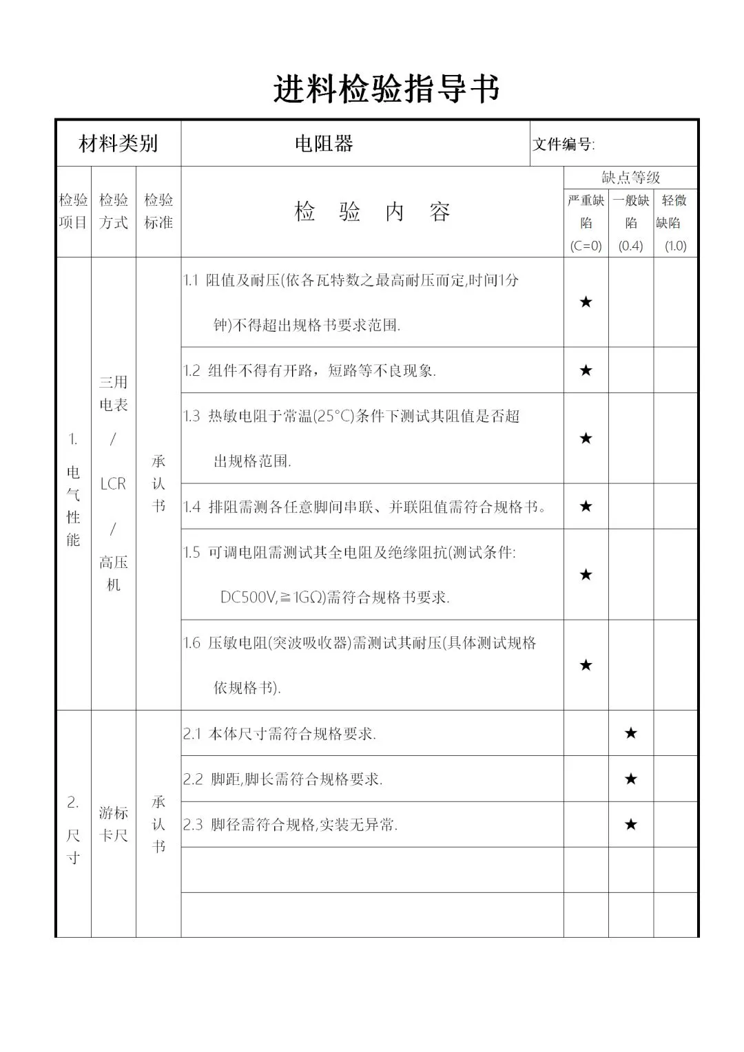
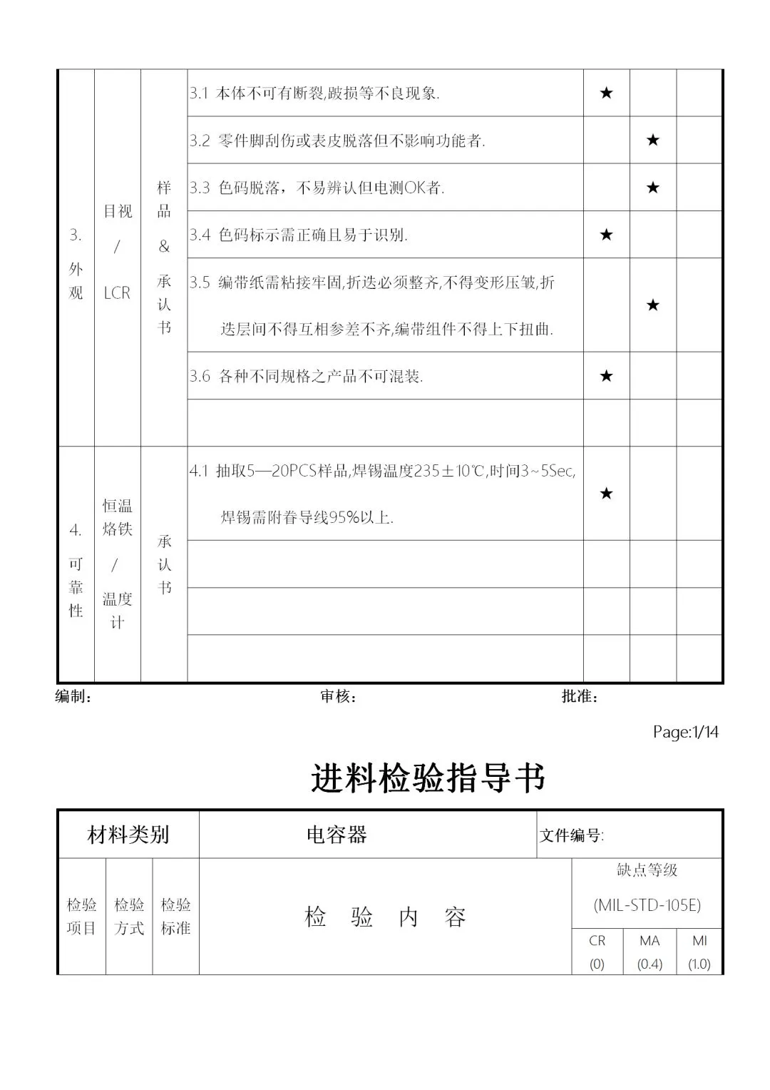
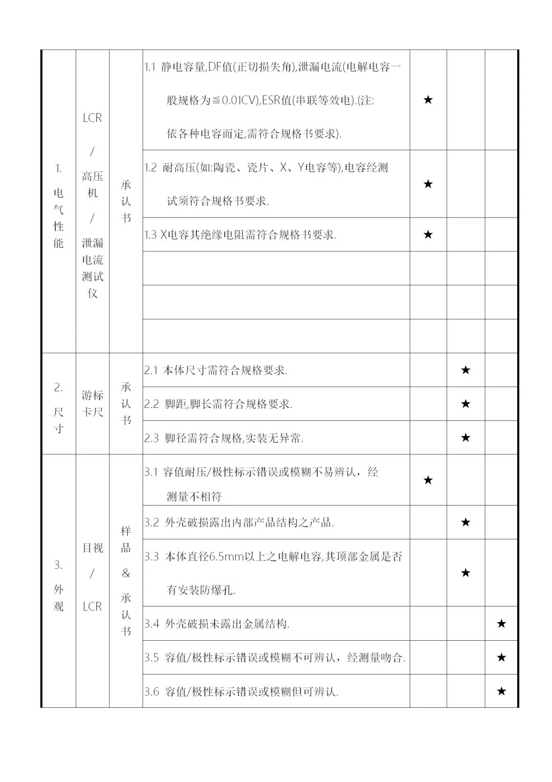
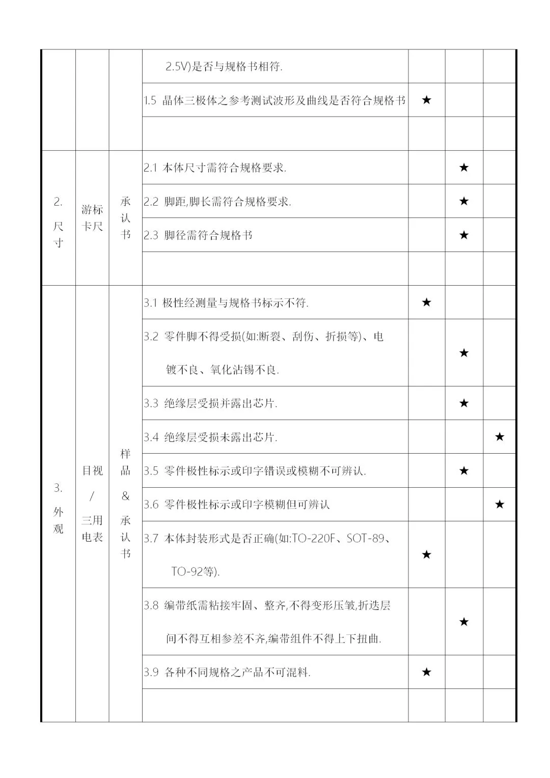
下面是情报君收集的一些IQC来料检验常用的表格,如来料检验指导书、来料检验报告、检查报表等,下载方式获取如下:


























#从近期一段4秒的工厂事故视频看5S管理重要性 | 附赠珍贵资料
如果你觉得这份文章说到心坎里
点个“在看”让大家都知道
